一. 霍尔传感器工作原理
克特生产的霍尔传感器是一种有源磁电转换器件,它是在霍尔效应原理的基础上,利用集成封装和组装工艺制作而成,它可方便的把磁输入信号转换成实际应用中的电信号,同时又具备工业场合实际应用易操作和可靠性的要求。
使用霍尔开关检测磁场(磁钢产生)的方法极为简单,将霍尔开关作成各种规格的探头,放在被测磁场中,因霍尔器件只对垂直于霍尔片的表面的磁感应强度敏感,因而必须令磁力线和器件表面垂直,通电后即可由输出电压得到被测磁场的磁感应强度。若不垂直,则应求出其垂直分量来计算被测磁场的磁感应强度值。而且,因霍尔元件的尺寸极小,可以进行多点检测,由计算机进行数据处理,可以得到场的分布状态,并可对狭缝,小孔中的磁场进行检测
用磁场作为被传感物体的运动和位置信息载体时,一般采用永久磁钢来产生工作磁场。例如,用一个5×4×2.5(mm3)的钕铁硼Ⅱ号磁钢,就可在它的磁极表面上得到约2300高斯的磁感应强度。在空气间隙中,磁感应强度会随感应距离增加而迅速下降。为保证霍尔器件,尤其是霍尔开关器件的可靠工作,在应用中要考虑有效工作间隙的长度。在计算总有效工作间隙时,应从霍尔开关表面算起。
因为霍尔开关需要工作电源,在作运动或位置传感时,一般令磁体随被检测物体运动,将霍尔器件固定在工作系统的适当位置,用它去检测工作磁场,再从检测结果中提取被检信息。
工作磁钢和霍尔传感器间的运动方式有:(a)对移;(b)侧移;(c)旋转;(d)遮断。
霍尔开关电路的输出级一般是一个集电极开路的NPN晶体管,其使用规则和任何一种相似的NPN开关管相同。输出管截止时,输漏电流很小,一般只有几nA,可以忽略,输出电压和其电源电压相近,但电源电压最高不得超过输出管的击穿电压(即规定的极限电压28V)。输出管导通时,它的输出端和线路的公共端短路。因此,必须外接一个电阻器(即负载电阻器)来限制流过管子的电流,使它不超过最大允许值(一般为100mA),以免损坏输出管。输出电流较大时,管子的饱和压降也会随之增大,使用者应当特别注意,仅这个电压和你要控制的电路的截止电压(或逻辑“零”)是兼容的
霍尔器件的开关所需的电流大于100mA,可在霍尔开关电路与被电路间接入电流放大器或者继电器转接。
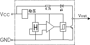
内部原理图 
霍尔传感器的开关作用能力是非常迅速的,典型的上升时间和下降时间在500nS范围内,优于任何机械开关
霍尔开关的输入端是以磁感应强度B来表征的,当B值达到一定的程度(如B1)时,霍尔开关内部的触发器翻转,霍尔开关的输出电平状态也随之翻转。输出端一般采用晶体管输出,和接近开关类似有NPN、PNP、常开型、常闭型、锁存型(双极性)、双信号输出之分。
我厂生产的霍尔开关具有无触电、低功耗、长使用寿命、响应频率高等特点,所采用的霍尔芯片含整个温度范围内的热平衡集成电路,负的温度补偿特性,能与低成本磁钢负温度系数为最佳匹配,内部采用环氧树脂封灌成一体化,所以能在各类恶劣环境下可靠的工作。霍尔开关可应用于接近开关,压力开关,里程表等,作为一种新型的电器配件。
二. 霍尔传感器术语解释
1.磁感应强度:霍尔传感器在工作时,它所要求磁钢具有的磁场强度的大小。一般磁感应强度值B为0.02-0.05T。
2.响应频率:按规定的1秒的时间间隔内,允许霍尔开关动作循环的次数。
3.输出状态:分常开、常闭、锁存。例如当无检测物体时,常开型的 霍尔开关所接通的负载,由于霍尔开关内部的输出晶体管的截止而不工作,当检测到物体时,晶体管导通,负载得电工作。
4.输出形式:分NPN/PNP/常开/常闭多功能等几种常用的形式输出。
5.动作距离: 动作距离是指检测体按一定方式移动时,从基准位置(霍尔开关的感应表面)到开关动作时测得的基准位置到检测面的空间距离。额定动作距离指 霍尔开关动作距离的标称值。(本厂匹配磁钢时使用此参数)
6.回差距离:动作距离与复位距离之间的绝对值。(本厂匹配磁钢时使用此参数)
接线方式
感应接近方式
三. 霍尔传感器使用注意
1: 克特的直流型霍尔传感器产品,所使用的 电压为3-28VDC,其典型的应用范围一般采用5-24VDC,过高的电压会引起内部霍尔元器件稳升而变的不稳定,而过低的电压容易让外界的温度变化影响磁场强度特性,从而引起电路误动作,其输出电流能力最大值为50mA。
2: 当使用霍尔传感器驱动感性负载时,请在负载两端并入续流二极管,否则会因感性负载长期动作时的瞬态高压脉冲影响霍尔开关的使用寿命。
3:采用不同的磁性磁铁,检测距离有所不同,建议采用磁铁直径和产品检测直径相等。
4:克特公司提供的磁铁均为钕硼体磁铁。
5:克特产品均为SMD工艺生产制造,并经严格的测试合格后才出厂,在一般情况下使用均不会出现损坏。为了保证意外性发生,请用户在接通电源前检查接线是否正确,核定电压是否为额定值。
The Hall sensor produced by KTGEE is an active magneto electric conversion device, which is made on the basis of the Hall effect principle using integrated packaging and assembly processes. It can easily convert magnetic input signals into electrical signals for practical applications, while also meeting the requirements of easy operation and reliability in industrial applications.
The method of using a Hall switch to detect magnetic fields (generated by magnetic steel) is extremely simple. The Hall switch is made into various specifications of probes and placed in the measured magnetic field. Since the Hall device is only sensitive to the magnetic induction intensity perpendicular to the surface of the Hall plate, it is necessary to make the magnetic field lines perpendicular to the device surface. After being powered on, the magnetic induction intensity of the measured magnetic field can be obtained from the output voltage. If it is not perpendicular, the vertical component should be calculated to determine the magnetic induction intensity value of the measured magnetic field. Moreover, due to the extremely small size of Hall elements, multi-point detection can be performed. By processing data with a computer, the distribution state of the field can be obtained, and the magnetic field in narrow slits and small holes can be detected

在线留言